The more you shop, the more points you earn.
Spend your points on future purchases to save and enjoy special rewards!
Hast du ein Konto?
Logge dich ein, damit es beim Checkout schneller geht.
Spring into Savings! Enjoy 10% off a wide range of car parts with no minimum spend. Hurry, these blooming deals won’t last long!
Thank you for subscribing!
*Exclusions apply
Unlock More Savings with Points
Free Shipping on Orders Over 199€!
Spring Into Performance – 10% OFF with MLPROMO10
Listing New Feature: OE Reference Numbers
New Brands Now Available – VEMO, VAICO & ACKOJA!
New Release: Eventuri's Carbon Gloss Intake System
New Release: BC Racing Applications
New Arrivals from Powerflex: Rear Lower Toe Link Inner Bush
New Powerflex Transfer Case Bush Insert!
The more you shop, the more points you earn.
Spend your points on future purchases to save and enjoy special rewards!
Enjoy complimentary shipping when your order exceeds 199€ for selected top brands!
Shop now and save big on your favorite car parts! 🚚✨
Spring is the perfect time for a refresh! Give your ride the refresh it deserves this spring with 10% OFF! Boost performance, enhance style, or take care of maintenance—no minimum spend, no usage limits. Some exclusions apply, but with hundreds of thousands of products on offer, the possibilities are endless.
Ready to spring into action? Subscribe to our newsletter and unlock your discount today!
Use MLPROMO10 at checkout and gear up for spring!
OE Reference Numbers – Easier, Accurate Part Matching!
Quickly find the right parts for your car with OE reference numbers.
Now available on all listings!
Now available on our website! Meanwhile don’t miss out – click below to explore our ongoing 2025 Sale and grab unbeatable deals.
Check out Eventuri's X5 G05 M50i intake system boosts airflow, reduces pressure, and enhances turbo sound for a smoother drive. Featuring additional cold air feeds, aluminium inlets, and sleek carbon housings for peak performance and style.
Drive with precision and performance with our latest BC Racing coilovers:
Click each model to learn more and find your perfect fit!
We’ve just added three new products to our lineup:
Upgrade your ride with these high-performance rear lower toe link inner bushes, designed for improved handling and durability. Available now!
Upgrade your drive with our latest Powerflex Transfer Case Bush Inserts, designed specifically for the E9x, X1 E84, and X3 E83 models. These easy-to-fit inserts fill the void in the OE rubber bush, reducing movement, enhancing stability, and prolonging the life of your bush.
Choose the perfect fit for your setup:
Perfect for maintaining performance and reliability, these inserts are a must-have for any enthusiast. Shop now and experience the difference!
Enjoy 10% off a wide range of products! Use Code MLPROMO10. Shop here.
Now accepting fitting inquiries and upgrades at Xatrix, Surrey and Bradford. Contact us today.
Free Shipping on Orders from 199€ Goods Value. Shop here.
Wide Selection with Almost 3 Million Parts Available. Shop here.
Shop over 1200000+ products from 1400+ brands here now!
Spring into Savings! Get 10% OFF with code MLPROMO10. Shop here
Now accepting fitting inquiries and upgrades at Xatrix, Surrey and Bradford. Contact us today.
Free Shipping on Orders from 199€ Goods Value. Shop here.
Free Shipping on Orders from 199€ Goods Value. Shop here.
Shop over 1.2M+ products from 1.4K+ brands here now!
Use the form below to send us your comments. We read all feedback carefully, aiming to serve you better. If you provide your email address, you agree that we may contact you to better understand the comments you have submitted.
BMW
Available on stock order
In Stock
Receive your order by tomorrow if ordered within
Get It By
Receive your order tomorrow. Subject to availability.
Collect 0 points
Purchasing this product will earn you 0 loyalty points worth €0,00 EUR.
Price Match Guarantee
If you find a lower price at an eligible UK retailer website, we will match it.
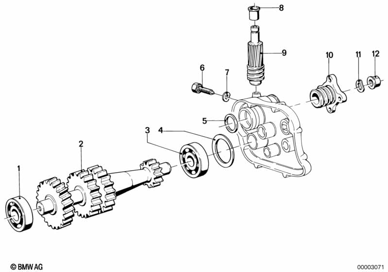
This is Genuine BMW 23211230057 Drive Flange (Inc. R60/5, R75/5 & R50/5).
Number 10 in the illustration

To ensure the part(s) you have ordered fits your vehicle, we run a compatibility check prior to dispatch. We can do this either using your registration number or the last 7 digits of your VIN. Simply enter your car details prior to checkout.
BMW-23211230057
Manufactured by
BMW - Genuine BMW Performance Parts.
Warranty
Two years manufacturer warranty for UK customers and one year manufacturer warranty for international customers if VIN is provided during check out on compatible vehicles.

We are committed to giving you the best price. if you find a lower price on the same item at an eligible UK retailer website, we will match it.
For in-stock item, get guaranteed next day UK delivery. Same day dispatch available on in-stock items if your order is placed before 1pm UK Time.
We ship worldwide via DHL International, simply enter your full address at checkout to see the shipping option(s) and quote(s). Same day dispatch available if your order is placed before 1pm UK Time on all in stock items!
We appreciate your feedback. Your opinions will help us provide you the best shopping experience.